省エネ型リジェネバーナ(直火型)とは
省エネ型リジェネバーナ(直火型)は炉内温度が常温時からFDIリジェネ(交番燃焼)運転が可能、バーナ部分とリジェネレータ部を一体化した軽量かつコンパクトな高効率高性能バーナです。
※FFRリジェネバーナは、環境省LD-Tech認証製品です。
特長
- FDI(Fuel Direct Injection燃料直接噴射)システムを採用した低NOxバーナ
- 有効熱効率80%以上(排ガス損失率20%以下)の高効率・省エネバーナ
- 蓄熱体(アルミナボール)をバーナ内に収納したコンパクトバーナ
- ダイレクト着火方式によりバーナ周りの機器と配管類を少なくしたシンプルバーナ
FFR(標準)
- 火炎形状:円形ストレート火炎
- 最高使用温度:1,350℃
- 燃焼容量:350kW、150kWの3種類
FFR-FT
- 火炎形状:偏平扇状火炎(Fish Tail)
- 最高使用温度:1,350℃
- 燃焼容量:350kW、150kWの2種類
- 縦置き型(天井部)設置可能
FFR-HH
- 火炎形状:円形ストレート火炎
- 最高使用温度:1,600℃
- 燃焼容量:350kW、150kWの2種類
- 縦置き型(天井部)設置可能
FDI(Fuel Direct Injection 燃料直接噴射)システム
- 自己排ガス再循環
独自のバーナ形状により、燃焼ガスと高温の予熱空気を別々に高速で炉内に噴出させ、周囲の炉の雰囲気ガスを大量に巻き込んで自己排ガス再循環を行いながら、火炎温度を低く抑えて燃焼します。 - 緩慢燃焼
燃料ガスは、空気と混合する前に予熱されて一部は熱分解によりカーボンを生成し、輝度の高い火炎を形成しながら緩やかに燃焼します。
FFRバーナの概念図
仕様
| 項目 | Unit/単位 | FFR-350HH | FFR-150HH |
|---|---|---|---|
| FFR-350FT | FFR-150FT | ||
| FFR-350 | FFR-150 | ||
| 燃焼容量 | kW(×104kcal/hr) | 350(30) | 150(13) |
| バーナ接続口ガス圧力 | kPa(mm2O) | 0.8(80) | 0.8(80) |
| バーナ接続口空気圧力 | kPa(mmH2O) | 2.9(300) | 2.5(250) |
| バーナ接続口排気圧力 | kPa(mmH2O) | -2.5(-250) | -2.0(-200) |
| 冷却空気流量 | Nm3/hr | 40 | 15 |
| パイバス燃焼容量 | kW(×104kcal/hr) | 12(1) | 6(0.5) |
| 火炎径(標準)×火炎長 | mφ×mL | 0.5×2.8 | 0.3×2.0 |
| バーナ総重量 | kg | 350 | 120 |
※バーナ接続ロガス圧力は都市ガス(13A)の場合の数値です。他燃料の場合は別途お問い合せください。
※各接続口の圧力値は参考値です。測定用オリフィスを設けて実数値を測定してください。
※バイパスガスはパイロットバーナ用の燃焼量で常時燃焼します。供給圧力を6kPa(600mmAq)以上に設定し、リミッティングオリフィスで調整してください。
※FFR-FTバーナの火炎径は別途ご相談ください
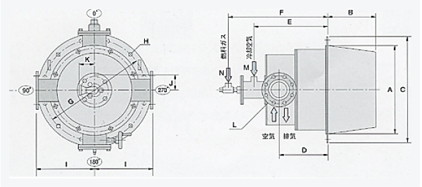
外形寸法
標準仕様
| 項目 | FFR-350HH | FFR-150HH |
|---|---|---|
| FFR-350FT | FFR-150FT | |
| FFR-350 | FFR-150 | |
| A | φ480 | φ318 |
| B | 360 | 270 |
| C | φ600 | φ420 |
| D | 303 | 330 |
| E | 460 | 436 |
| F | 623 | 557 |
| G | O.C.D.540 | O.C.D.370 |
| H | 12~φ19 | 8~φ19 |
| I | 360 | 210 |
| J | 80 | 60 |
| K | 34 | 26 |
| L | JIS 5K-100A | JIS 5K-50A |
| M | 25A | 20A |
| N | 25A | 15A |
標準仕様
| 弁名称 | 二方弁 | 二方弁 | 二方弁 | 二方弁 | |
|---|---|---|---|---|---|
| 弁種 | アングル弁 | バタフライバルブ | シリンダーバルブ | 電磁弁 | |
| 駆動源 | 高圧空気 | 高圧空気 | 高圧空気 | AC-100 | |
| 用途 | 空気/排ガス切換 サイクルバルブ |
空気/排ガス切換 サイクルバルブ |
ガスサイクルバルブ パイロットガス用遮断弁 |
ガスサイクルバルブ パイロットガス用遮断弁 |
|
| 温度仕様 | 600℃以下 | 350℃以下 | -10~60℃ | -10~60℃ | |
| 外形図 |
|
|
|
|
|
| 機種型番 | |||||
| 口径 | 15A | - | - | NAB1A-15A | VNA-15 |
| 20A | - | - | NAB1A-20A | VNA-20 | |
| 25A | - | - | NAB1A-25A | VNA-25 | |
| 32A | - | - | NAB1A-32A | VNA-32 | |
| 40A | - | - | NAB1A-40A | VNA-40 | |
| 50A | - | TGB-50H/C | NAB1A-50A | VNA-50 | |
| 65A | TGA2-65 | TGB-65H/C | NAB1A-65A | VNA-65 | |
| 80A | TGA2-80 | TGB-80H/C | - | - | |
| 100A | TGA2-100 | TGB-100H/C | - | - | |
| 125A | TGA2-125 | TGB-125H/C | - | - | |
| 150A | - | TGB-150H/C | - | - | |
| 200A | - | TGB-200H/C | - | - | |
| 250A | - | TGB-250H/C | - | - | |
| 300A | - | TGB-300H/C | - | - | |
サイクルバルブの特長
- 200万回以上の使用に十分耐え得る、弊社の豊富な技術と経験を活かした独自の設計・製作品です。
- メンテナンスを考慮したシンプルな機構と構造になっています。
- 高圧空気駆動の場合は空気量が最小になるようアクチェーターを選定しています。
- 表記以外のサイズやL.S.付き仕様等のオプションにも対応できます。
